查询企业信用档案
浙江省绍兴市上虞区企业
全国企业
会员单位
首页
工作动态
会员服务
政策法规
行业资讯
诚信红黑榜
“放心消费”专栏
促进会介绍
联系我们
通知公告
>
关于成立绍兴市上虞区信用建设促进
>
2023年度财务信息公示
>
绍兴市上虞区信用建设促进会202
>
关于举办会员企业合规经营与和谐劳
>
安全生产倡议书
>
关于举办2023年绍兴市上虞区信
>
2023年绍兴市上虞区信用建设促
>
更多 >>
会员名单
>
副会长单位
>
理事单位
行业资讯
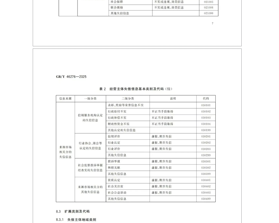
重磅!经营主体失信信息分类指南国标全文发
发布时间:2025.09.26
地址:绍兴市上虞区百官街道市民大道666号(建行大厦)10层
电话:0575 - 82111315 82199107 82199177 联系人:杜小姐13587396519 杨先生15957533725
绍兴市上虞区信用建设促进会
©
2018-2025 版权所有 |
浙ICP备18021284号-2
技术支持:
天盛网络
浙公网安备 33060402001093号
【扫一扫 关注我们】